KAVAN 108A 2T ABC 17,22ccm
Kód: PEL-KAV28.1011


Detailní popis produktu
Dvoudobé motory KAVAN představují vynikající volbu pro rekreační sportovní, akrobatické modely a makety letadel. Vyznačují se spolehlivým chodem a velmi snadným nastavováním; jsou to v tom nejlepším smyslu slova „spotřební“ motory, které si může dovolit pořídit a provozovat každý příznivec vůně benzínu – tedy vlastně metylu. A pokud jim budete věnovat přiměřenou péči, budou vaše modely spolehlivě pohánět po dlouhé roky.
KAVAN S108A je dvoudobý motor se žhavící svíčkou klasické konstrukce s pístem a vložkou ABC konstruovaný pro modely letadel všeho druhu. Je osazen dvoujehlovým RC karburátorem; v základní sestavě je dodáván rovněž expanzní tlumič výfuku.
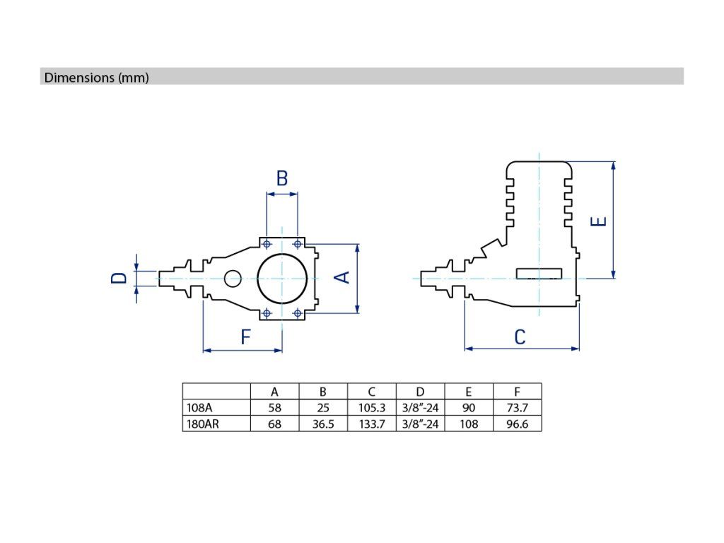
Kliková hřídel má závit pro matici vrtule UNF 3/8-24.
Doporučené rozměry vrtulí:
Záběh: 14×10"
Sport a Akrobat: 15×10"
Maketa: 14×10"-15×10"
Doporučená palivová nádrž: 400–500 ml.
Doporučené palivo: Nenitrované „FAI“ palivo s 20 % ricínového oleje (po záběhu můžete přejít na palivo s 15 % ricínového oleje) nebo obdobné se směsí ricínového/syntetického oleje nebo se syntetickým olejem a 1–15% nitromethanu. Doporučujeme používat palivo s aspoň malým obsahem nitromethanu – chod motoru je poté opravdu vysoce spolehlivý a nastavení karburátoru je snadnější a méně citlivé na změny teploty a jiné vlivy okolního prostředí.
Doporučená svíčka: KAVAN GP-1, O.S. MAX No.8, KAVAN Premium No.3, při použití paliva s vyšším obsahem nitromethanu O.S. MAX No.10.
Sada motoru obsahuje: motor s RC karburátorem, expanzní tlumič, sadu imbusových kliček, návod.
| Zdvihový objem [ccm] | 17.22 |
| Počet válců | 1 |
| Vrtání [mm] | 28.5 |
| Zdvih [mm] | 27 |
| Provozní otáčky [ot./min] | 2000 - 17500 |
| Výkon motoru (17000RPM) [kW] | 2.4 |
| Hmotnost [g] | 676 |
| Doporučený objem nádrže [ml] | 400 - 500 |
| Závit matice vrtule | 3/8 UNF |
Doplňkové parametry
| Kategorie: | Dvoutaktní |
|---|---|
| EAN: | 8596450113916 |
Diskuze
Buďte první, kdo napíše příspěvek k této položce.
