KAVAN S15AII 2T ABC 2,49ccm
Kód: PEL-KAV28.1003


Detailní popis produktu
Dvoudobé motory KAVAN představují vynikající volbu pro rekreační sportovní, akrobatické modely a makety letadel. Vyznačují se spolehlivým chodem a velmi snadným nastavováním; jsou to v tom nejlepším smyslu slova „spotřební“ motory, které si může dovolit pořídit a provozovat každý příznivec vůně benzínu – tedy vlastně metylu. A pokud jim budete věnovat přiměřenou péči, budou vaše modely spolehlivě pohánět po dlouhé roky.
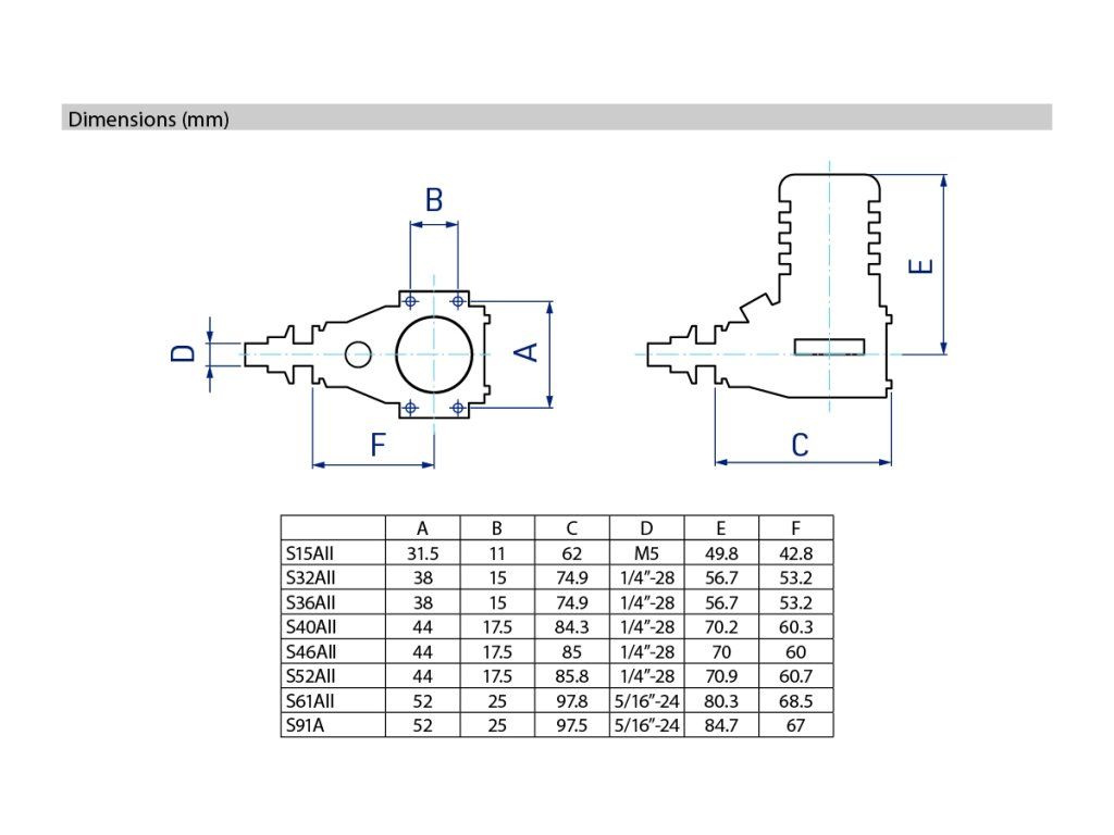
KAVAN S15AII je dvoudobý motor se žhavící svíčkou klasické konstrukce s pístem a vložkou ABC konstruovaný pro modely letadel všeho druhu. Je osazen dvoujehlovým RC karburátorem; v základní sestavě je dodáván rovněž expanzní tlumič výfuku.
Kliková hřídel má závit pro matici vrtule M5.
Doporučené rozměry vrtulí:
Záběh: 8×4"
Sport a Akrobat: 8×4", 8×5"
Maketa: 8×4"
Doporučená palivová nádrž: 60–120 ml.
Doporučené palivo: Nenitrované „FAI“ palivo s 20 % ricínového oleje nebo obdobné se směsí ricínového/syntetického oleje nebo se syntetickým olejem a 1–15 % nitromethanu. Doporučujeme používat palivo s aspoň malým obsahem nitromethanu – chod motoru je poté opravdu vysoce spolehlivý a nastavení karburátoru je snadnější a méně citlivé na změny teploty a jiné vlivy okolního prostředí.
Doporučená svíčka: KAVAN GP-1, O.S. MAX No.6 (dříve známá jako A3), KAVAN Premium No.1.
Sada motoru obsahuje: motor s RC karburátorem, expanzní tlumič, návod.
| Zdvihový objem [ccm] | 2.49 |
| Počet válců | 1 |
| Vrtání [mm] | 15.2 |
| Zdvih [mm] | 13.7 |
| Provozní otáčky [ot./min] | 3000 - 17000 |
| Výkon motoru (16500RPM) [W] | 510 |
| Hmotnost [g] | 164 |
| Doporučený objem nádrže [ml] | 60 - 120 |
| Závit matice vrtule | M5 |
Doplňkové parametry
| Kategorie: | Dvoutaktní |
|---|---|
| EAN: | 8596450113831 |
Diskuze
Buďte první, kdo napíše příspěvek k této položce.
