Futaba S-C300 (9,6kg 0,12s/60°)
Kód: PEL-FUT5102734


Detailní popis produktu
Silné programovatelné digitální S.BUS2/S.BUS servo s kovovými převody a výstupní hřídelí uloženou ve dvou kuličkových ložiscích se zvýšeným napájecím napětím pro RC modely aut 1:10. Pro použití s RC soupravami T7PX/T7PXR/T7XC/T10PX s přijímači R334SBS/R334SBS-E je možno je přepnout do SR režimu (pouze režim SR1) a využívat používat super rychlý přenosový systém T-FHSS SR (Super Response), resp. ještě rychlejší telemetrický systém F-4G s vysílačem T10PX a přijímači R404SBS/R404SBS-E po přepnutí do UR (Ultra Response) režimu (pouze režim UR1).
S-C300 můžete připojit k výstupům přijímačů pro pozemní modely (Surface) S.BUS 2 (sériová sběrnice s obousměrnou komunikací) nebo S.BUS (sériová sběrnice s jednosměrnou komunikací) nebo může fungovat jako klasické servo připojené do kanálového (PWM) výstupu přijímače. S-C300 není možno používat s přijímači pro letecké (Air) RC soupravy Futaba.
S pomocí USB rozhraní CIU-3 a PC programu S-Link nebo vysílače Futaba vybaveného funkcí nastavování S.BUS serv můžete programovat celou řadu parametrů serva (rychlost, velikost výchylek, neutrál, ochrana proti přetížení, měkký rozběh atd.). Nastavení kanálu pro fungování na sběrnici S.BUS2/S.BUS a přepnutí do SR režimu je možné jen s pomocí vysílače T7PX/T7PXR/T7XC/T10PX, do UR režimu na T10PX.
Zvýšené napájecí napětí 6,0-7,4 V (jmenovité), provozní rozsah napětí 4,0-8,4 V.
Co je S.BUS2/S.BUS
- S.BUS – Sériová sběrnice Futaba s jednosměrnou komunikací umožňující ovládání serv, regulátorů, spínačů, gyroskopů a dalších kompatibilních RC zařízení připojených do jediného výstupního portu S.BUS přijímače.
- S.BUS2 – Sériová sběrnice Futaba pro obousměrnou komunikaci umožňující (jako S.BUS) ovládání serv, regulátorů, spínačů, gyroskopů a dalších kompatibilních RC zařízení připojených do jediného výstupního/vstupního portu S.BUS2 přijímače. Kromě toho umožňuje připojovat telemetrické senzory a předávat data z nich prostřednictvím přijímače pro zobrazení na vysílači; z některých S.BUS2 serv může do vysílače předávat informace o provozním proudu, teplotě nebo úhlu výstupní páky serva.
Na rozdíl od klasických RC souprav S.BUS(2) systém používá sériovou datovou komunikaci pro přenášení řídících signálů z přijímače do serv, gyra nebo jiného zařízení. Tato data obsahují povely jako „přesuň servo kanálu 3 do polohy 15 stupňů, přesuň servo kanálu 5 do polohy 30 stupňů“ pro více zařízení. S.BUS(2) zařízení vykonávají pouze povely příslušející jejich vlastnímu nastavenému kanálu. Z tohoto důvodu je možno připojit několik serv ke stejnému signálovému kabelu, a přitom je nastavovat a ovládat jednotlivě dle potřeby. K tomu slouží identifikační kód serva (ID). ID najdete na nálepce na krabičce serva.
S.BUS2 servo je možno připojovat do S.BUS2 i S.BUS portů přijímače. Jeho funkce je dána nastavením kanálu do paměti serva (provádí se pomocí programovacího rozhraní vysílače Futaba, programátoru SBC-1 nebo USB rozhraní CIU-3 s PC programem S-Link – pro některá serva lze kanál nastavovat jen s pomocí vysílače).
S.BUS2 servo připojené do kanálového výstupu klasického přijímače (PWM) funguje jako klasické servo. Jeho pohyb je dán signálem v kanálu přijímače, k němuž je připojeno. Nastavení programovatelných funkcí serva zůstává v platnosti.
| Velikost serva | Standard |
| Typ serva | Digitální |
| Tah při 6,0 V [kg∙cm] | 8 |
| Tah při 7,4 V [kg∙cm] | 9.6 |
| Rychlost při 6,0 V [s/60st.] | 0.14 |
| Rychlost při 7,4 V [s/60st.] | 0.12 |
| Převody serva | Kovové |
| Kuličková ložiska | 2× |
| Highvoltage | Ano |
| Napájení [V] | 4 - 8.4 |
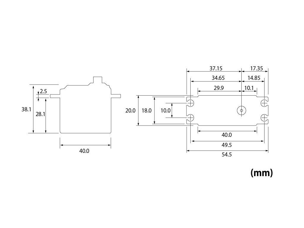
| Délka [mm] | 40.5 |
| Šířka [mm] | 20 |
| Výška [mm] | 38.1 |
| Hmotnost [g] | 43 |
| Určeno pro | Silniční auta,Terénní auta,Lodě |
| S.BUS | Ano |
| S.BUS2 | Ano |
| SR režim | Ano |
| UR režim | Ano |
Doplňkové parametry
| Kategorie: | Digitální |
|---|---|
| EAN: | 4513886038648 |
Diskuze
Buďte první, kdo napíše příspěvek k této položce.
