AXI 2204/54 V2 střídavý motor
Kód: PEL-3EL105600V2


Detailní popis produktu
Nová generace motorů AXI V2 má vyšší výkon díky svému propracovanému designu, který ve spojení s integrovaným chladícím systémem na principu turbínového efektu proudění vzduchu udržuje vinutí motoru chladnější až o 20%.
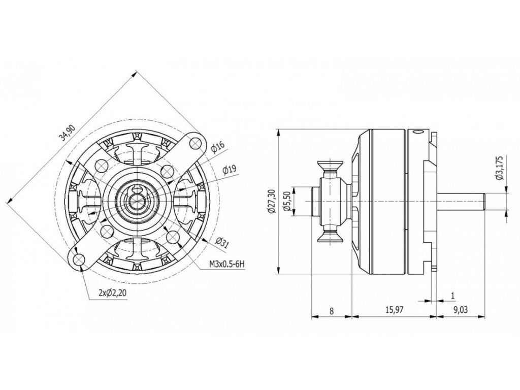
Robustní a spolehlivé vysokovýkonné střídavé motory řady AXI 2204/xx V2 s otočným pláštěm a neodymovými magnety mají kalenou hřídel o průměru 3,17 mm uloženou ve dvou kuličkových ložiscích, která zajišťují velmi dobrou mechanickou stabilitu. Hřídel je opatřena gumičkovým unašečem; motory jsou konstruovány pro montáž na patky, které jsou součástí předního čela. Rotory motorů řady AXI 2204/xx V2 jsou vyváženy na nejmodernějším dynamickém vyvažovacím zařízení od renomované společnosti Schenck. Kvalitní japonská ložiska, dodávaná do motorů řady V2 se vyznačují vyšší životností a tichým chodem.
Motory řady AXI 2204/xx V2 jsou díky svému velkému kroutícímu momentu vhodné pro přímý pohon velkých vrtulí bez nutnosti použít převodovku, což zajišťuje velmi dobrou účinnost celého pohonu.
| Systém označování motorů: AXI xxYY/zz |
| xx - průměr statoru v mm |
| YY - délka statoru v mm |
| zz - počet závitů |
AXI 2204/54 V2 je miniaturní střídavý motor učený pro pohon malých modelů s letovou hmotností do 300 g s napájením z dvou- až tříčlánkového akumulátoru Li-poly. S jeho pomocí můžete úspěšně "elektrifikovat" např. gumáčky ze stavebnic Guillow's nebo Dumas s rozpětím cca 700-1000 mm, výborný je i pro park-flyery Dumas a SIG/HERR.
Montáž motoru: AXI 2204/54 V2 je konstruován pro přední i zadní montáž (s využitím dvojice patek na předním čele), gumičkový unašeč vhodný pro vrtule GWS je integrální součástí motoru. Osazení unašeče pro vrtuli má průměr 5,5 mm, s motorem jsou dodávány ještě dva adaptéry s průměrem osazení 7 a 8 mm. Při přední montáži za čelo motoru použijte dva (protilehlé) šrouby M3, které zasahují do čela motoru v rozmezí 2-2,5 mm. Motorová přepážka by měla být z 1-1,5 mm letecké překližky.
Sada motoru obsahuje: motor AXI 2204/54 V2 s kabely, adaptéry pro vrtuli 7 a 8 mm, O-kroužek pro gumičkový unašeč, návod.
| Napájení LiXX článků | 2 - 3 |
| Otáčky na volt [ot./min/V] | 1400 |
| Počet závitů | 54 |
| Vnitřní odpor [mOhm] | 320 |
| Proud naprázdno [mA] | 350 |
| Max. účinnost [%] | 78 |
| Proud při max. účinnosti (η>67%) [A] | 2 - 6 |
| Max. špičkový proud (30 s) [A] | 8.5 |
| Max. výkon [W] | 74 |
| Průměr [mm] | 27.7 |
| Délka [mm] | 28 |
| Průměr hřídele [mm] | 3.17 |
| Hmotnost [g] | 27.4 |
| Počet pólů | 14 |
| Časování [°] | 15 - 25 |
| Regulátor [A] | 10 - 12 |
| Trenér do hmotnosti [g] | 300 |
| Akrobat do hmotnosti [g] | 260 |
| 3D do hmotnosti [g] | 220 |
| Doporučená vrtule | 2S: 9x5" |
| Doporučená vrtule | 3S: 7,5x3,5", 8x4", 9x3,8" |
Doplňkové parametry
| Kategorie: | Motory |
|---|---|
| EAN: | 8595247302564 |
Diskuze
Buďte první, kdo napíše příspěvek k této položce.
